Sign in Register Submit Manuscript

Hapres Home

Location: Home >> Detail

J Sustain Res. 2024;6(2):e240007. https://doi.org/10.20900/jsr20240007

Article

Economic Effectiveness and Cost-Efficiency of Selected Sustainable Rainwater Harvesting Systems for Shopping Mall Facility

Julia Kapitan, Marcin K. Widomski *,

Faculty of Environmental Engineering, Lublin University of Technology, Nadbystrzycka 40B, Lublin 20-618, Poland

* Correspondence: Marcin K. Widomski.

Received: 11 March 2024; Accepted: 02 April 2024; Published: 07 April 2024

ABSTRACT

This paper presents assessment of economic effectiveness and cost-efficiency of four selected sustainable rainwater harvesting designs for shopping mall under climatic and financial conditions of Lublin, Poland. The four proposed designs, different in the proposed manners of rainwater storage, allowed retention, treatment and reuse of rainwater in order to decrease tap water consumption for toilets flushing, floors cleaning and green areas watering. The economic effectiveness of proposed designs was determined using three indicators: Payback Period (PP), Net Present Value (NPV) and Benefits-Costs Ratio (BCR), while the cost-efficiency assessment was based on the Dynamic Generation Cost (DGC) indicator. Additionally, the relation between cost-efficiency, economic effectiveness and variable annual rainwater demand allowing to partially replace tap water consumption was also determined. Most of the proposed designs were assessed as profitable, allowing the financial benefits for the investor, due to savings resulting from the reduced tap water demand for cleaning, toilets flushing and green watering. However, the determined economic and costs efficiency levels are highly related to maximization of rainwater use and decrease in tap water consumption.

KEYWORDS: rainwater harvesting; sustainability; economic feasibility; cost-efficiency; urban rainwater management

ABBREVIATIONS

BCR, Benefits-Costs Ratio; DGC, Dynamic Cost Generation; NPV, Net Present Value; O&M, operation and maintenance; PP, Payback Period

INTRODUCTION

Recent climate changes, resulting in prolonged drought periods and extreme rainfall events, combined with the increased urbanization leading to increase in sealed areas in urbanized catchments, significantly distort water balance of urban areas [1,2]. Typically, water balance of urbanized basins is characterized on the one hand by the increased rainwater surface runoff and evapotranspiration and on the other hand by the significantly reduced infiltration and groundwater resources supply [3,4]. Additionally, increased and rapid urbanization is commonly related to increased population growth and resultant water consumption and depleting the available resources [5–7].

Sustainable rainwater management in urban areas should allow to prevent water resources shortage and to restore the distorted natural water balance, to limit risk of flooding and to protect the waterbodies of the natural reservoirs by reducing volume of run-off and intensity of pollutants flushing, increasing evapotranspiration and decreasing surface run-off peak flows [8–11]. But, sustainable rainwater management, as the each type of environmental investment, should be efficient in all circles of sustainability, not only the environmental but also in social and economic [12–17]. Social and economic aspects of sustainable designs in water and sewage services are closely related. The significant investment as well as operation and maintenance (O&M) costs of environmental services may significantly affect their social acceptance and willingness-to-pay by the local populations, stakeholders etc. [18–21].

Rainwater harvesting (RWH) systems allow to intercept, collect, treat and reuse rainwater providing non-potable water quality for applications in which potable water quality is not required, including toilets flushing, cleaning, green areas watering etc. [11,22,23]. Thus, the significant reduction in tap water consumption, obtained from surface or underground resources, is possible [24,25], even to the level of 60%–80% in residential and public buildings [26–28]. However, application of RWH systems, as each environmental design, may be limited by the potential investors acceptance and willingness-to-pay highly related to required costs as well as affordability and profitability of such designs. The economic feasibility of such designs is commonly related to the selected technologies, assumed rainwater demand and possible saving due to reduced tap water consumption and, in some cases, reduction of rainwater discharge fees [7,14,19,20]. Thus, in our opinion, analysis of economic effectivity and costs-efficiency of rainwater harvesting designs is crucial in decision-making process. Without the proper identification of financial effectiveness of the proposed RWH designs for various types of buildings, the possible economic benefits may be overbalanced by the necessary costs and the investment may be unprofitable and brings only financial losses for the investors. In such cases, the social acceptance and willingness-to-pay for RWH systems are doubtful.

This paper contains the economic feasibility and costs-efficiency assessment performed for the selected variants of rainwater harvesting systems for large-scale shopping mall under the climatic and financial conditions of the Eastern Poland. The presented assessment was based on a selected group of sound and easy to understand economic indicators based on easily available input data.

MATERIALS AND METHODS

This paper presents economic effectiveness and cost-efficiency assessment of four rainwater harvesting systems for the selected large-area shopping mall facility located in Lublin, Poland. The designed RWH systems covered collection, treatment, storage and reuse of rainwater gathering on the facility roof. The designed reuse of rainwater covered toilets flushing, floors cleaning and grass watering. The economic profitability was determined using three indicators: Payback Period (PP), Net Present Value (NPV) and Benefits-Costs Ratio (BCR), while cost-efficiency was described by the Dynamic Generation Cost (DGC) indicator.

Object of the Study

The presented study was performed for the large-area shopping mall facility located in Lublin, Poland. The total area of shopping center with adherent parking lots, pavements, roads and green area is approximately 2.53 ha, in which 1.09 ha is occupied by parking lots and roads and 0.525 by green areas. The two-store building of 12 m height has a flat roof of 4% inclination and an area of 9150 m2. The spatial development of studied building is presented in Figure 1. The approximate terrain elevation of studied mall is 229.3 m above sea level. The total determined tap water demand in the studied building was assessed as 7892.15 m3/year. The mean rainfall height for this area was determined as 560 mm [29]. There are available 5 toilets in the building, with total number of 8 toilet bowls, 2 urinals and 4 tap valves which can be supplied by the harvested and treated rainwater. The studied shopping mall is operational six days per week, 51 weeks per year.

FIGURE 1
Figure 1. Area of the studied shopping mall (source: https://geoportal.lublin.eu/2d/).
Rainwater Management

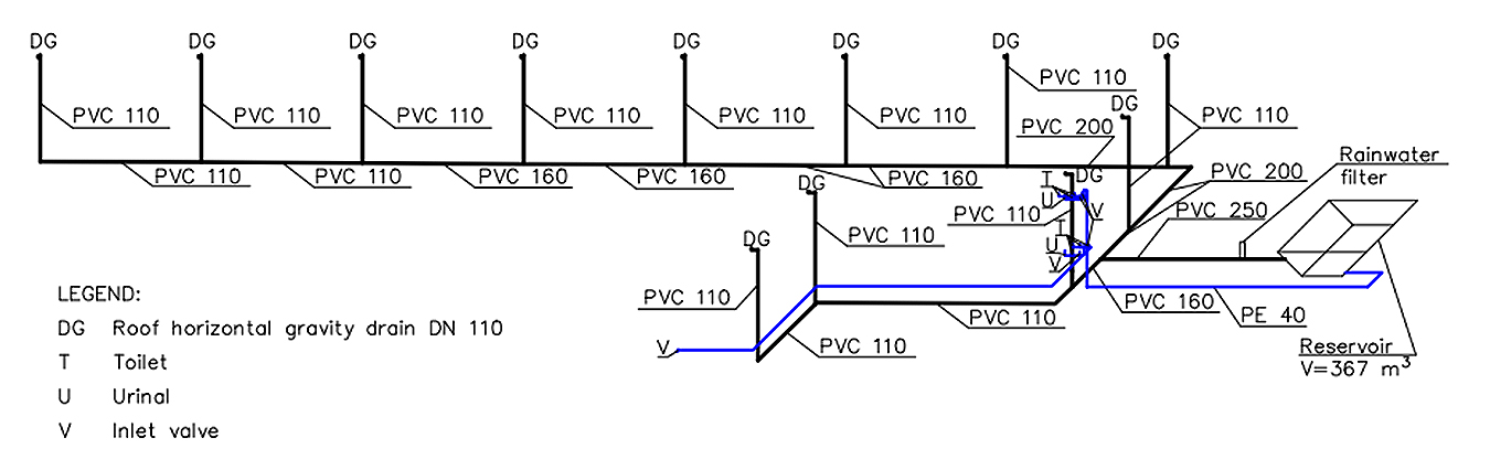
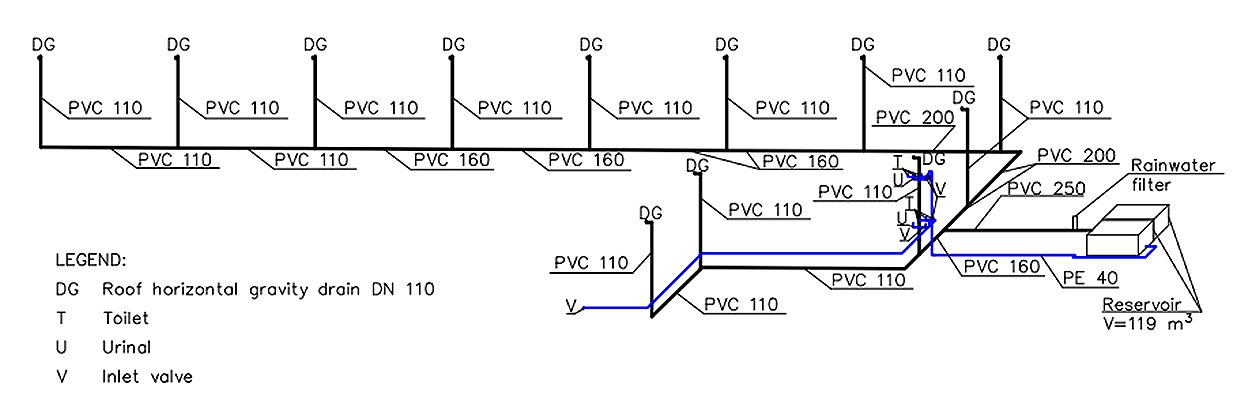
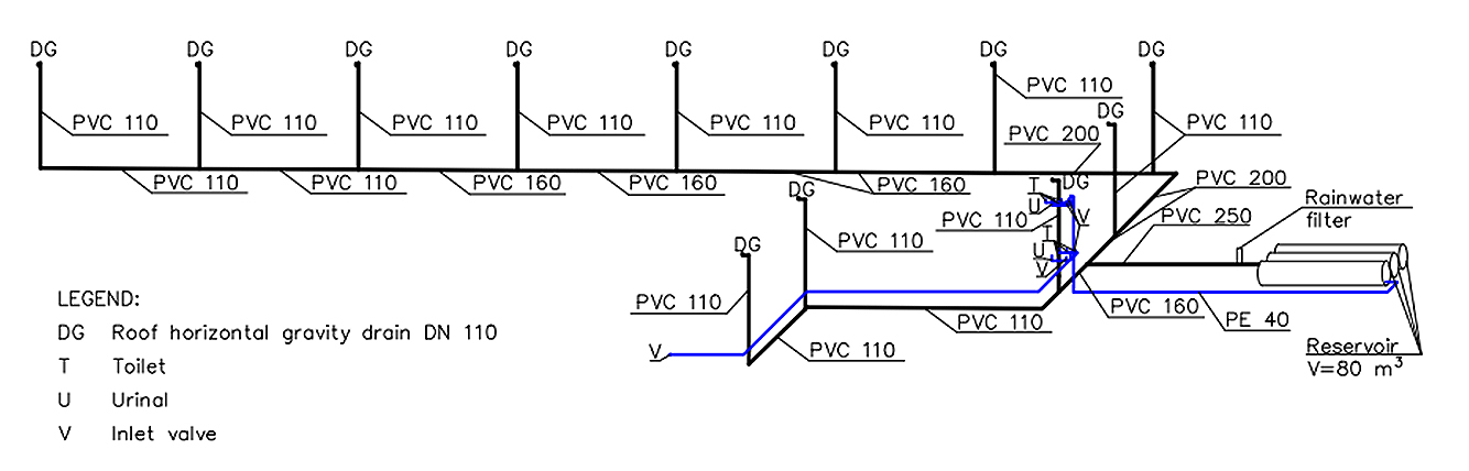
The rainwater management was designed by 12 horizontal gravity 110 mm inlets and 110–250 mm rainwater PVC pipelines directing rainwater to a reservoir (of different type and volume, dependent to the assumed variant). The reservoir volume was determined basing on the available mean daily rainwater inflow, related to mean annual precipitation, roof area, runoff coefficient and assumed 21 days of rainwater retention. The necessary rainwater treatment is provided by gutter inlets with sedimentation baskets and underground rainwater filter located before the reservoir.

Table 1 presents rainwater demand designed for the tested building. There was assumed the usage of rainwater for toilets flushing, floors washing and green areas watering. The area of floors inside the building daily (306 working days) washed by harvested rainwater was assumed as 7000 m2. The 1984 m2 of green area were designed to be watered by rainwater during 75 days of vegetation season (15 days per month, from April to September). The total calculated rainwater demand for the above described actual usage of the building was determined as 3589.2 m3. The possible annual volume of rainwater collected, 4099.2 m3/year, was determined basing on roof area (9150 m2), assumed annual rainfall height (560 mm) and runoff coefficient (assumed as 0.8).

TABLE 1
Table 1. Rainwater demand assumed for the rainwater harvesting design.

The following variants of rainwater harvesting systems for the studied shopping mall building were assumed to the further analyses:

FIGURE 2
Figure 2. Scheme of assumed Variant 1 of rainwater management system.

FIGURE 3
Figure 3. Scheme showing Variant 2 of designed rainwater management system.

FIGURE 4
Figure 4. Scheme presenting Variant 3 of designed rainwater management system.

FIGURE 5
Figure 5. Scheme showing Variant 4 of designed rainwater management system.

Table 2 presents assumed estimated investment as well as operation and maintenance costs of all studied variants of rainwater harvesting and reuse in the studied building. Operation and maintenance costs of all variants, presented in Table 2, cover energy consumption, required pumping devices services, rainwater drains and pipelines flushing, disinfection and filters exchange and, finally, reservoir cleaning. The lower O&M costs of Variant 4 are related to lower costs of open reservoir cleaning services, in comparison to costs of concrete or HDPE underground reservoirs servicing.

TABLE 2
Table 2. Estimated investment as well as operation and maintenance costs of proposed designs.
Economic Effectiveness and Cost-Efficiency Analysis

The economic effectiveness of proposed manners of rainwater harvesting for the selected shopping facility was assessed by three indicators, simple Payback Period (PP) and dynamic Net Present Value (NPV) and Benefits-Costs Ratio (BCR) [7,32,33]. The used indicators were calculated according to formulas:

Where: PP—Payback Period, years; IC—initial investment costs, Euro; NCF—net cash flow, Euro/year.

Where: NCFt—net cash flow for a year of investment operation, Euro; t—year of the investment operation, N—total number of periods, years; i—discount rate, %.

Where: PVb—present value of investment benefits, Euro; PVc—present value of investment costs, Euro.

Where: CFbt—benefits cash flow for a t period, Euro; CFct—costs cash flow for a t period, Euro.

Payback Period defines time required to recoup the investments, possible to incomes or savings, during its operation. The main disadvantage of PP is ignoring the time-related value of money [7,34]. Net Present Value presents the sum of discounted cash flows, i.e., inflows and outflows, during the assumed period of assessment [7,35,36]. The profitable investment is possible for NPV > 0 (or eventually equal to zero for a neutral investment). The BCR describes ratio of discounted incomes (savings) to discounted costs. The BCR calculations are based on mean annual incomes, in this case possible savings (described below), and investment as well as operation and maintenance costs. The profitable investment is characterized by BCR value greater than 1.0.

The assessment of costs-efficiency of studied variants of on-site stormwater management was based on the Dynamic Generation Cost indicator [37–39]:

Where: ICt—annual investment costs in given year, Euro; ECt—annual operation and maintenance costs in given year, Euro, EEt—annual ecological unit in given year, m3.

The DGC indicator determines the cost of ecological effect, of the investment basing on the discounted investment and operation and maintenance costs. In this study case Dynamic Generation Cost indicator presents the cost of one cubic meter of harvested and reused rainwater, in Euro/m3.

The following input data were assumed to economic feasibility and costs-efficiency calculations for proposed manners of rainwater harvesting:

The required for NPV and BCR calculations the annual benefits cash flow CFbt was assumed as savings possible due to decreased usage of tap water from the municipal water supply network (in this case the reduced water meters readings results to reduced water and sewage payments) and reduced payment for connection to the municipal stormwater service.

In order to determine the relation between cost-efficiency, economic effectiveness and variable annual rainwater demand allowing to partially replace tap water consumption the additional analysis was performed assuming possible variable arrangement of shopping area with different area of floors required cleaning and increased watered green area. Thus, the possible savings and costs of ecological effect in the additional calculations were based on rainwater usage from range 2900.7–4048.2 m3, i.e., constituting 36.8%–51.3% of the annual tap water demand. The assumed possible increase and decrease in rainwater demand is related to the possible rearrangement of commercial space inside the building (changes in area of floors for washing) or increased water use for green areas watering.

RESULTS

Figure 6 presents determined values of simple profitability indicator Payback Period for all proposed variants of rainwater harvesting and management for the studied large-area shopping mall facility. It is visible that in all cases the Payback Period is shorter than assumed duration of investment assessments and varies between approximately 9 years for Variant 4 and 20 years for Variant 3. Thus, according to the determined Payback Period values, all variants of rainwater harvesting should be considered as interesting options for the further analysis.

FIGURE 6
Figure 6. Determined Payback Period values for the proposed rainwater harvesting designs.

The results of proposed rainwater harvesting profitability analysis, based on dynamic indicators, NPV and BCR, are presented in Figures 7 and 8. The determined values of economic efficiency indicators suggest that three of developed designs are profitable under the assumed conditions. Variants Number 1, 2 and 4 allowed positive, above zero, values of net present value indicating the discounted financial benefits of the investment greater than its costs. Similarly, the profitability threshold of BCR ≥ 1.0, was achieved by the designed Variants 1, 2 and 4. Thus, in these cases, the financial benefits possible due to the suggested designs are greater than their investment as well as operation and maintenance costs. The highest relation of discounted financial benefits to discounted costs of investment, equal 1.47, was determined for Variant 4, assuming the open rainwater reservoir.

FIGURE 7
Figure 7. Determined Net Present Value values for the proposed rainwater harvesting designs.
FIGURE 8
Figure 8. Calculated values of Benefits-Costs Ratio indicators for the proposed rainwater harvesting designs.

Figure 9 presents determined values of Dynamic Generation Cost for all studied variants of rainwater harvesting systems. The lowest discounted cost of ecologic effect, i.e., one cubic meter of harvested and reused rainwater, was obtained for Variant 4 assuming open water reservoir. The highest value of DGC indicator was determined for Variant 3 in which rainwater collection was designed in three cylindrical HDPE underground tanks. It is worth to note than the determined price of ecological effect is in case of Variants 4 clearly lower than the actual price of water and sewage services per 1 cubic meter in Lublin, 2.09 Euro/m3.

FIGURE 9
Figure 9. Calculated values of Dynamic Generation Cost indicators for the proposed rainwater harvesting designs.

Figure 10 presents influence of assumed reservoir (or its components like in Variant 4) and earthworks prices on the previously described economic profitability of proposed variants of rainwater harvesting and reuse systems for shopping facility. As it could be expected increase in investment costs related to reservoir type, material and size as well as required volume of earthworks directly affects economic efficiency of the design. Thus, the BCR value for Variant 3 is in the discussed scattered 3D diagram located below the BCR = 1.0 surface.

FIGURE 10
Figure 10. Influence of main components of investment cost on designs profitability.

The similar situation is visible in Figure 11 presenting influence of reservoir and earthworks prices on the price of environmental effect presented by DGC value. Increase in rainwater reservoir price and required volume of earthworks required to installation directly affect DGC indicator value which grows as a result of increased investment costs.

FIGURE 11
Figure 11. Influence of main components of investment cost on cost-efficiency of designs.
FIGURE 12
Figure 12. Relation between profitability of rainwater harvesting designs and tap water demand replacement by rainwater.

Figure 12 presenting variable value of BCR for all designed RWH variants, in relation to possible changes in rainwater demand for the study object, shows that its profitability in relation to coverage tap water demand by harvested rainwater is not uniform. It is visible that only Variant 4 allows economic efficiency, i.e., brings clear financial profits, in all tested range of rain water usage. On the contrary, Variant 3 is unprofitable under each tested tap water demand replacement by collected rainwater. The performance of Variants 1 and 2 is similar and the performed calculations show that these designs may bring financial profits when rainwater demand exceeds 42% of tap water consumption. As it could be expected, results of DGC calculations for variable rainwater demands, presented in Figure 13, show that increase in used rainwater volume results in increased cost-efficiency of the design, allowing decrease in the cost of ecological effect. Thus, to obtain the maximal possible cost-efficiency and economic feasibility for the studied rainwater harvesting design the maximum possible replacement of tap water demand by harvester rainwater should be taken into account.

FIGURE 13
Figure 13. Relation between cost-efficiency of rainwater harvesting designs and tap water demand replacement.

DISCUSSION

The economic and cost efficiency analyses presented in this paper showed that three of the proposed variants of rainwater harvesting and reuse systems for large-scale shopping facility under climatic and financial conditions of the Eastern Poland should be assessed as profitable, allowing the measurable financial benefits for the investor. The obtained results are to some extent comparable with the previous study [7] assessing profitability and cost-efficiency of domestic rainwater harvesting systems for a single-family housing also located in Lublin, Poland. However, in case of the studied individual RWH systems their profitability and costs effectiveness were related to the range of tap water consumption reduction.

The negative results of economic and costs effectiveness assessment of the proposed Variant 3 are related to the selected type, material and number of underground rainwater reservoirs and the resultant required volume and price of earthworks. Thus, in this case, the selection of three polymer underground tanks, clearly more expensive than prefabricated from concrete, significantly increased the investment costs. Thus, in our opinion, selection of rainwater storage units technology, materials and volume should be very careful.

The determined quantified assessment of financial aspects of the proposed grey infrastructure (rainwater harvesting and grey water treatment and reuse) is in agreement with observations reported for different European regions and climatic conditions, from arid Mediterranean [13] to North Sea region [15]. The similar positive assessment of cost-efficiency of rainwater harvesting systems used to mitigate urban flooding in 9 cities in North America and Europe was presented by Cristiano et al. [42]. In this work, installation of RWH systems was presented as less expensive and more financially efficient than green roofs. Cost-efficiency of Rainwater Harvesting systems, among the different possible low impact development solutions, was also positively verified under the conditions of selected location in Ontario, Canada [43].

The comparable positive assessment of economic feasibility of RWH installation in the public building with roof area 526 m2, under climatic and economic conditions in Brazil, was presented by Ghisi et al. [28]. In this paper the influence of increased rain water use, allowing to reduce the tap water demand, from 50% to 80%, on economic efficiency of the investment was also discussed. The similar observations concerning influence of increased rainwater demand on economic feasibility of rainwater harvesting in residential buildings, comparable to results presented in this paper, were also presented in Maskwa et al. [44].

However, the positive economic assessment of RWH is not universal, the benefits-costs analysis performed by Schild et al. [45] for roof top harvesting in 11 locations in West Bank Palestine showed negative values of NPV indicator, even with the assumption of 50% refundation of investment costs. The importance of outside, e.g., governmental, co-founding in RWH systems installation, from domestic to larger scale, reaching several thousand cubic meters of volume, was also reported [7,46].

The determined relation between selected components of the capital costs of studied investment and its cost-efficiency and economic feasibility is in agreement with observations presented by Islam [47] for rainwater harvesting in the developing country, Bangladesh. The economic benefits of RWH in this paper were related to, inter alia, storage volume, tap water price and total investment costs.

CONCLUSIONS

The performed analysis of economic and costs effectiveness of proposed variants of rainwater harvesting for large-area shopping mall facility in Lublin, Poland allowed the following concussions:

DATA AVAILABILITY

The dataset of the study is available from the authors upon reasonable request.

AUTHOR CONTRIBUTIONS

JK and MKW designed the study. JK prepared the designs and performed the calculations. JK and MKW analyzed the data. JK and MKW wrote the paper.

CONFLICTS OF INTEREST

The authors declare that there is no conflict of interest.

FUNDING

This research was funded by Lublin University of Technology, grant number FD-20/IS-6/039.

REFERENCES

1.

2.

3.

4.

5.

6.

7.

8.

9.

10.

11.

12.

13.

14.

15.

16.

17.

18.

19.

20.

21.

22.

23.

24.

25.

26.

27.

28.

29.

30.

31.

32.

33.

34.

35.

36.

37.

38.

39.

40.

41.

42.

43.

44.

45.

46.

47.

How to Cite This Article

Kapitan J, Widomski MK. Economic Effectiveness and Cost-Efficiency of Selected Sustainable Rainwater Harvesting Systems for Shopping Mall Facility. J Sustain Res. 2024;6(2):e240007. https://doi.org/10.20900/jsr20240007

Copyright © 2023 Hapres Co., Ltd. Privacy Policy | Terms and Conditions